产品中心
NLK-408C工业级隔离型RS485/422中继器

NLK-408C

NLK-408C工业级隔离型RS485/422中继器

 

  ■ RS-422/485隔离中继;支持半双工,全双工
  ■ 2500V电源隔离,内置电源隔离模块,直流9-24V供电;
  ■ 自动识别RS-485/422信号流向,零延时自动转发;
  ■ 中继距离0-1.2Km,通信波特率从300~115200Kbps自适应;
  ■ 内置600W/ms抗雷击保护和15KV抗静电保护;
  ■ 工业级设计,优选进口元器件,全部表面贴装工艺
     ■ 安装方式:壁挂式安装
   

概述

 

NLK-408C光电隔离型中继器、兼容RS-422、RS-485标准,能够延长RS-422/RS-485总线网络的通信距离,增加RS-422/RS-485网络设备的个数,内置的光电隔离器及DC/DC隔离模块,能够提供高达2500Vrms的隔离电压,接口两端带有快速的瞬态电压抑制保护器,此保护器被设计用来保护RS-422/ 485接口,采用当今先进的TVS(TRANSIENT VOLTAGE SUPPRESSOR)瞬态电压抑制器,正常情况下TVS管呈高阻状态,当TVS管两端经受瞬间的高能量冲击时,它能以极高的速度将其两端的阻抗降低,吸收一个大电流,从而把其两端的电压钳制在一个预定的数值上,保护后面的电路元件不因瞬态高压冲击而损坏。此保护器可以有效地抑制闪电(LIGHTNING)和ESD,提供每线600W的雷击浪涌保护功率,以及各种原因在线路上产生的浪涌电压和瞬态过压,并且极小的极间电容保证了RS-422/RS-485接口的高速传输。RS-422、RS-485输入端通过接线柱连接器连接。RS422、RS485输出端通过接线柱连接器连接。转换器内部带有零延时自动收发转换,I/O电路自动控制数据流方向,而不需任何握手信号(如RTS、DTR等),无需跳线设置实现全双工(RS422)、半双工(RS485)模式转换,即插即用。
NLK-408C光电隔离型接口转换器可以为点到点、点到多点的通信提供可靠的连接,点到多点每台中继器可允许连接32个RS-422或RS-485接口设备,数据通讯速率300-115.2KBPS,带有电源指示灯及数据流量指示灯可指示故障情况。

技术参数


■ 接口特性:接口兼容EIA/TIA的RS- 485/ 422标准
■ 电气接口:RS-485/422输入端采用接线柱连接器RS-485/422输出端采用接线柱连接器。
■ 保护等级:两端RS-422、RS-485接口每线600W的雷击浪涌保护,+/-15KV ESD保护.
■ 隔  离  度:隔离电压1500Vrms 500DC连续.DC/DC模块
■ 工作方式:异步半双工或异步全双工
■ 信号指示:电源(PWR)、发送(TXD)、接收(RXD)
■ 传输介质:双绞线或屏蔽线
■ 传输速率:300-115.2K BPS
■ 电源输入:DC9-24V 200mA
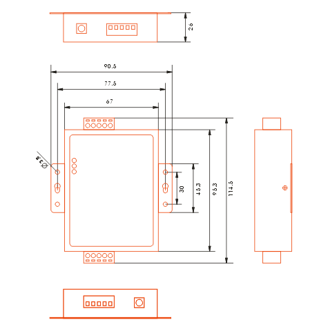
■ 外形尺寸:115mm×90mm×26mm
■ 使用环境:-20℃到60℃,相对湿度为5%到95%
■ 传输距离:0-1200米(115200bps-9600bps)
■ 安装方式:壁挂式安装
 

订购信息

产品型号   性能参数
NLK-408C    
工业级有源RS485/422转RS485/422光电隔离中继器,DC9-24V宽压供电,铁壳壁挂式安装

资料下载