|
IEEE标准 |
802.3i、802.3u、802.3ab、802.3z、802.3ae、802.3ad、802.3x、802.1p、802.1Q、802.1w、802.1s等 |
|
交换功能 |
支持VLAN、GVRP 支持端口限速,支持风暴抑制 支持端口汇聚 支持端口流控 |
|
冗余技术 |
支持VRRP、EAPS 支持NLK-Ring环网技术 支持MSTP/RSTP,兼容STP |
|
组播技术 |
支持IGMP v1/v2/v3, IGMP Snooping 支持GMRP,支持静态组播 |
|
管理与维护 |
支持CLI, WEB管理方式、LLDP、SNTPv4 支持统一上位机软件管理 |
|
交换方式 |
存储转发 |
|
MAC地址表 |
16K |
|
缓存大小 |
1.5Mbit |
|
传输方式 |
存储转发 |
|
传输距离 |
100M (标准CAT5/CAT5e线缆) |
|
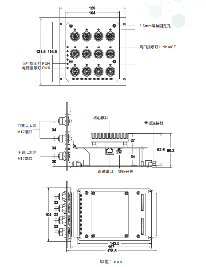
接口 |
百兆电口:port5-12通过M12 D-coded 4芯母头形式引出,port13-16支持百兆通过背板连接器引出。 千兆电口:Port1-4通过M12 X-coded 8芯母头引出 |
|
浪涌 |
Power Port:±2kV/DM,±2kV/CM Data Port:±2kV/DM,±2kV/CM |
|
电源参数 |
输入电压:DC24V 输入功耗:8W@24V(MAX) 接线端子:09062486826(哈丁连接器弯脚插座) |
|
机械参数 |
物理尺寸(长×宽×高):157mm×104mm×116.5mm 外壳:无 重量:0.65kg |
|
工作环境 |
工作温度:-40℃~+70℃ 存储温度:-40℃~+85℃ 湿度:5%~95%(无凝露) |

|
型号 |
规格 |
电源 |
|
Penticos2216bp |
工业级二层4个10/100/1000M电口+12个10/100M电口车载板卡交换机 |
DC24V |
| 名称 |
|---|